Sign In | Join Free | My frbiz.com
China HUATEC  GROUP  CORPORATION logo
HUATEC GROUP CORPORATION
HUATEC GROUP CORPORATION Professional Non Destructive Testing Equipment
Verified Supplier

10 Years

Home > Ultrasonic Calibration Blocks >

Ndt Ultrasonic Flaw Detector Iiw Type 1 Calibration Block

HUATEC GROUP CORPORATION
Trust Seal
Verified Supplier
Credit Check
Supplier Assessment
Contact Now

Ndt Ultrasonic Flaw Detector Iiw Type 1 Calibration Block

Brand Name : HUATEC

Model Number : IIW V-1 block

Certification : CE ISO

Place of Origin : Beijing

MOQ : 1 set

Payment Terms : TT, L/C, Western Union

Supply Ability : 500 sets per months

Delivery Time : 3-7 working days

Packaging Details : in standard export carton

Product name : Standard Test Block

Model : IIW V-1 block

Standard : ISO2400-1972E, BS2704 DIN 54120

Material : Stainless Steel,Carbon steel, AL

Contact Now

Ultrasonic Flaw Detector Calibration Blocks Test Blocks IIW-V1

IIW V1 calibration block

Standard: ISO2400-1972E

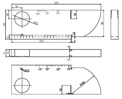
IIW test block (V-1 test block) is also called Dutch test block. It is an international standard test block approved by the International Welding Institute (IIW) and recommended by the International Organization for Standardization (ISO). The shape and size are shown in Figure 1-1:

Main Points of use:

(1) The dynamic range, horizontal linearity and longitudinal wave detection range of the flaw detector can be measured by using a test block thickness of 25mm;

(2) The 50 arc and 1.5 through hole were used to determine the sensitivity margin of the oblique probe refraction Angle and the longitudinal wave straight probe. It is also possible to roughly estimate the size of the blind area of the straight probe and the penetration ability of the measuring instrument combined with the probe.

(3) The incidence point and blind area of the inclined probe are measured by using the R100mm arc surface, and the time axis proportion and zero point can be corrected;

(4) The longitudinal resolution of the straight probe can be measured with the notch plane of 85mm, 91mm and 100mm;

(5) Use the right Angle edge of the test block to measure the sound beam skew Angle of the inclined probe.

Ndt Ultrasonic Flaw Detector Iiw Type 1 Calibration Block

Ndt Ultrasonic Flaw Detector Iiw Type 1 Calibration Block

Ndt Ultrasonic Flaw Detector Iiw Type 1 Calibration Block


Product Tags:

ultrasonic flaw detector iiw block

      

Iiw Type 1 Calibration Block

      

ndt Iiw Type 1 Calibration Block

      
China Ndt Ultrasonic Flaw Detector Iiw Type 1 Calibration Block wholesale

Ndt Ultrasonic Flaw Detector Iiw Type 1 Calibration Block Images

Inquiry Cart 0
Send your message to this supplier
 
*From:
*To: HUATEC GROUP CORPORATION
*Subject:
*Message:
Characters Remaining: (0/3000)